Small-outline transistor

Size comparison of transistor packages. Two surface-mount packages, SOT23 and SOT223, are shown next to through-hole packages

A small outline transistor (SOT) is a family of small footprint, discrete surface mount transistor commonly used in consumer electronics. The most common SOT are SOT23 variations,.[1] SOT23-5 differs from SOT23 in a wider body of 1.6 mm (0.063 in) instead of 1.3 mm (0.051 in). Also, manufacturers offer the nearly identical thin small outline transistor (TSOT/TSOP) package, where lower height is important.[2][3][4][5]

SOT23-3, SOT323, SOT416

The SOT23-3 package is very popular and a common package for transistors, as well as diodes and voltage regulators.[1]

SOT23-3 (TO236AB, SOT346, SC59A, TO236AA, SMT3),
SOT323 (SC70-3, UMT3),
SOT416 (SOT523, SC75A, SC90, EMT3)
Dimensions (mm)
SOT23[6][7][8][9] SOT23-3[10] SOT323[11][12] SOT416[13][14]
A 2.9 2.9 2.0 1.4 - 1.8
B 1.3/1.6 1.3/1.6 1.25 0.7 - 0.9
C
D
G 1.9 1.9 1.3 1.0
H
J
K
L 0.95 0.95 0.65 0.5
S 1.45 -

1.75

V

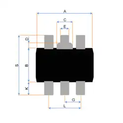
SOT23-5, SOT353, SOT553

SOT23-5 (SOT25, SC74A, TSOP-5, SOT753, MO-178AA, SMT5),
SOT353 (SC70-5, SC88A, TSSOP-5, UMT5), SOT553
Dimensions (mm)
SOT23-5[15][1] SOT353[16][17] SOT553[18]
A 2.90 ±0.10 2.0 ±0.2 1.60 ±0.10
B 1.60 ±0.10 1.25 ±0.10 1.20 +0.05 -0.10
C 1.04 – 1.44 0.8 – 1.1 0.60 +0.02 -0.05
D 0.350 –0.500 0.2 – 0.3 0.20 +0.10 -0.05
G 0.95 0.65 0.50
H 0.05 –0.15 ≤0.1 0.00
J 0.15 +0.03 -0.05
K 0.20 ±0.10
S 2.0 – 2.2 1.60 +0.10 -0.05
V

SOT23-6, SOT363, SOT563

SOT23-6 (SOT26, SC59-6, SC74, TSOP-6, MO-178AB, SMT6, SM6, Mini6, SOT457),
SOT363 (SC70-6, SC88, TSSOP-6, UMT6, US6, S-Mini6),
SOT563 (SC-107C, ES6)
Dimensions (mm)
SOT23-6[1][19][20][21] SOT363[22][23] SOT563[24][25][26]
A 2.9 2.0 1.60 ±0.10
B 1.625 1.25 1.20 +0.05 -0.10
C 1.25 0.95 0.60 +0.02 -0.05
D 0.4 0.25 0.20 +0.10 -0.05
G 0.95 0.65 0.50
H 0.1 0.00
J 0.18 0.15 +0.03 -0.05
K 0.38 0.20 ±0.10
S 2.8 2.1 1.60 +0.10 -0.05
V

SOT23-8

SOT23-8 (SOT28)[1][27]
Dimensions (mm)
A 2.90 ± 0.10
B 1.60 ± 0.10
C 1.27
D 0.3
G 0.650 typ.
H 0.0762
J 0.152
K 0.575
S 2.80 ± 0.20
L

SOT54

SOT54 is an alternate designation for the JEDEC TO-92 package.[28]

SOT23-4, SOT143, SOT343

SOT23-4, SOT143 (TO253), SOT343
Dimensions (mm)
SOT143[29] SOT343[30]
A 2.90 ±0.10 2.00 - 2.20
B 1.30 ±0.10 1.150 - 1.350
C 0.900 - 1.100
D 0.400 +0.110 -0.030 0.250 - 0.400
F 0.800 +0.130 -0.030 0.350 - 0.500
G 1.92 +0.11 -0.14 1.200 - 1.400
H 0.05 +0.05 -0.037 0.000 - 0.100
J 0.11 +0.07 -0.025 0.080 - 0.150
K 0.89 - 1.00 0.525
L
R
S 2.38 ±0.10 2.150 - 2.450

SOT490

SOT490 (SOT523F, SC89, EMT3F)
Dimensions (mm)
A
B
C
D
G 0.5
J
K
S
L 1.0

SOT89-3

The SOT89-3 electrically only has three leads (contact/pin). The wide lead (tab) is physically part of the middle lead on the other side of the package. Some call this package a SOT89-4, since it visually appears to have four leads when looking down at the part.

SOT89-3 (TO243AA, SC62, MPT3)[31]
Dimensions (mm)
A 4.5
B 2.5
C 1.5 ± 0.1
D
E 1.6
F
G 1.5
J
K
S
L 3

SOT89-5

The SOT89-5 electrically only has five leads (contact/pin). The middle lead is physically part of the middle lead on the other side of the package. Some call this package a SOT89-6, since it visually appears to have six leads when looking down at the part.

SOT89-5
Dimensions (mm)
A 4.6
B 2.6
C 1.6
D
E
F
G 1.5
H
J
K
S
L

SOT223 (SOT223-4)

The SOT223-4 package is a popular package for voltage regulators. It was introduced by Philips.[32]

SOT223-4 (SC73, TO261AA)[33][34][35]
Dimensions (mm)
Min Typ Max
A 1.80
A1 0.02
b 0.60 0.70 0.80
b2 2.90 3.00 3.10
c 0.24 0.26 0.32
D 6.30 6.50 6.70
e 2.3
e1 4.6
E 6.70 7.00 7.30
E1 3.30 3.50 3.70

SOT223-5

The SOT223-5 package is a popular package for voltage regulators.

SOT223-5[36]
Dimensions (mm)
Min Typ Max
A 1.8
A1 0.02 0.04 0.10
A2 1.55 1.65
A3 0.87 0.91
b 0.41 0.46 0.51
b2 2.95 3.00 3.05
C 0.24 0.32
D 6.45 6.50 6.55
E 6.86 7.00 7.26
E1 3.45 3.50 3.55
e 1.27
e1 5.08
L 0.91 1.14

SOT223-8

The SOT223-8 package is a popular package for bridged quad transistors.

SOT223-8 (SM-8)[37]
Dimensions (mm)
Min Typ Max
A 1.60 1.70
A1 0.02 0.04 0.10
b 0.70 0.80 0.90
c 0.24 0.28 0.32
D 6.30 6.60 6.70
e 1.53
e1 4.59
E 6.70 7.00 7.30
E1 3.30 3.50 3.70
L 0.75 0.90 1.00
ø 45°
ø1 15°
ø2 10°

See also

References

  1. ^ a b c d e "SOT-23 and TSOT package datasheet" (PDF). Amkor Technology. 2021. Archived (PDF) from the original on December 19, 2018. Retrieved 2022-05-25. link from amkor.com/packaging/leadframe/sot23-tsot
  2. ^ "Nexperia SOT 23 Package and Dimensions". SOT23 and SOT 23-3 with the smaller body are also known as TO-236AB.
  3. ^ "Thin SOT-23 Package Information" (PDF). Vishay Siliconix. Retrieved 4 May 2017.
  4. ^ "Packaging Information". Intersil. Retrieved 4 May 2017.
  5. ^ "Thin SOT-23 Package Information" (PDF). Vishay Siliconix. Retrieved 4 May 2017.
  6. ^ SOT23-3 package drawing; NXP.com
  7. ^ SOT23-3 dummy component package drawing; TopLine.tv
  8. ^ SOT346 package drawing; NXP.com
  9. ^ SC59A dummy component package drawing; TopLine.tv
  10. ^ SOT23-3 package drawing; union.ic.com
  11. ^ SOT323 package drawing; NXP.com
  12. ^ SC70-3 dummy component package drawing; TopLine.tv
  13. ^ SOT416 package drawing; NXP.com
  14. ^ SC75A dummy component package drawing; TopLine.tv
  15. ^ SOT25 dummy component package drawing; TopLine.tv
  16. ^ SOT353 package drawing; NXP.com
  17. ^ SOT353 dummy component package drawing; TopLine.tv
  18. ^ "SOT553 package drawing; diodes.com" (PDF).
  19. ^ "SOT457 Package information" (PDF). NXP. 2018-05-05. Retrieved 2022-05-25. plastic, surface-mounted package (TSOP6); 6 leads; 0.95 mm pitch; 2.9 mm x 1.5 mm x 1 mm body
  20. ^ "SOT26 dummy component package drawing" (PDF). topline.tv. 2015-09-24. Retrieved 2022-05-25.
  21. ^ "SOT 6L package drawing" (PDF). maximintegrated.com. Maxim Integrated. Retrieved 2022-05-25.
  22. ^ "SOT363 Package information" (PDF). NXP. 2018-05-09. Retrieved 2021-09-07. plastic, surface-mounted package; 6 leads; 0.65 mm pitch; 2mm x 1.25 mm x 0.95 mm body
  23. ^ "SOT363 dummy component package drawing" (PDF). topline.tv. 2011-12-18. Retrieved 2022-05-25.
  24. ^ "SOT563 package drawing" (PDF). diodes.com. Diodes. 2021-01-07. Retrieved 2022-05-25.
  25. ^ "SOT-563, SC-107C dimensions" (PDF). rohm.com. Rohm. 2016-09-09. Retrieved 2022-05-25.
  26. ^ "ES6 package & packing information detail". toshiba.semicon-storage.com. Toshiba. Retrieved 2022-05-25.
  27. ^ SOT28 dummy component package drawing; TopLine.tv
  28. ^ "TO-92 (SOT54)". Nexperia. 2004-11-16. Retrieved 2017-12-12.
  29. ^ "SOT143 package drawing, diodes.com" (PDF).
  30. ^ "SOT343 package drawing; diodes.com" (PDF).
  31. ^ SOT89-3 dummy component package drawing; TopLine.tv
  32. ^ Hollander, Dave (1995). "Packaging trends and mounting techniques for power surface mount components". Proceedings of 1995 International Conference on Power Electronics and Drive Systems. PEDS 95. Vol. 1. pp. 264–270. doi:10.1109/PEDS.1995.404911. ISBN 0-7803-2423-4. S2CID 109636238.
  33. ^ SOT223-4 package drawing; NXP.com
  34. ^ SOT223-4 dummy component package drawing; TopLine.tv
  35. ^ SOT223-4 package drawing; semicon-data.com
  36. ^ SOT223-5 package drawing; semicon-data.com
  37. ^ H-bridge MOSFET datasheet in SOT223-8 package; diodes.com