Jan Ernst Matzeliger
Jan Ernst Matzeliger | |
|---|---|
![]() Matzeliger in 1885 | |
| Born | 15 September 1852 |
| Died | 24 August 1889 (aged 36) Lynn, Massachusetts, US |
Jan Ernst Matzeliger (September 15, 1852 – August 24, 1889) was a Surinamese-American inventor whose automated lasting machine brought significant change to the manufacturing of shoes. The Consolidated Lasting Machine Company company was founded to make his shoe making devices.[1]
Biography

Matzeliger was born in Dutch Guiana, now Suriname. His father, Ernst Carel Matzeliger Jr. (1823–1864), was a third generation Dutchman of German descent living in the Dutch Guiana capital city of Paramaribo. Ernst owned and operated the Colonial Shipworks that had been in his family for three generations. His mother was a house slave of African descent; she lived on the plantation of which his father was the owner for a time.
At age 10, Matzeliger was apprenticed in the Colonial Ship Works in Paramaribo, where he demonstrated a natural aptitude for machinery and mechanics. Matzeliger left Dutch Guiana at 19, and worked as a mechanic on a Dutch East Indies merchant ship for several years before settling in Philadelphia, Pennsylvania, where he first learned the shoe trade. By 1877, he spoke adequate English (Dutch was his native tongue) and moved to Massachusetts to pursue his interest in the shoe industry. He eventually went to work in the Harney Brothers Shoe factory.
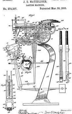
Matzeliger obtained a patent for his invention of an automated shoe laster in 1883.[2] A skilled hand laster could produce 50 pairs in a ten-hour day.[3] Matzeliger's machine could produce between 150 and 700 pairs of shoes a day, cutting shoe prices across the nation in half.[2]
Death and legacy
His early death in Lynn, Massachusetts from tuberculosis meant he never saw the full profit of his invention. Matzeliger died on August 24, 1889, aged 36.
Matzeliger's invention was perhaps "the most important invention for New England" and "the greatest forward step in the shoe industry," according to the church bulletin of The First Church of Christ (where he was a member) as part of a commemoration held in 1967 in his honor. Contemporaries referred to him as the "Dutch nigger" and his machine as the "niggerhead laster,"[4][5] a term used in the apparel industry at the time for a certain type of fabric.[6]
A 29-cent US postal stamp was issued on September 15, 1991, in honor of Matzeliger. Designed by Barbara Higgins Bond, the stamp depicts Matzeliger and is a part of the Black Heritage Stamp Series.[7]
Matzeliger was inducted into the National Inventors Hall of Fame in 2006.[8]
Patents
- 274,207, 20 March 1883, Automatic method for lasting shoe[9]
- 421,954, 25 February 1890, Nailing machine
- 423,937, 25 March 1890, Tack separating and distributing mechanism
- 459,899, 22 September 1891, Lasting machine
- 415,726, 26 November 1899, Mechanism for distributing tacks, nails, etc.
See also
References
- ^ Ingevaldsson, Jesper (October 25, 2015). "History - The lasting machine".
- ^ a b Lienhard, Jan H. "No. 522: Jan Matzeliger (transcript of radio show Engines of Our Ingenuity episode)". University of Houston. Retrieved 10 November 2017.
- ^ Chamberlain, Gaius (23 March 2012). "Jan Matzeliger". The Black Inventor Online Museum. Adscape International, LLC. Archived from the original on 19 February 2012. Retrieved 10 November 2017.
- ^ Smeulders, Valika (2016-06-01), "Matzeliger, Jan Ernst", African American Studies Center, Oxford University Press, doi:10.1093/acref/9780195301731.013.74508, ISBN 978-0-19-530173-1
- ^ Kaplan, Sidney (January 1955). "Jan Earnst Matzeliger and the Making of the Shoe". The Journal of Negro History. 40 (1): 8–33. doi:10.2307/2715446. ISSN 0022-2992. JSTOR 2715446. S2CID 149459743.
- ^ Tortora, Phyllis G.; Johnson, Ingrid (2013). The Fairchild Books Dictionary of Textiles (8th ed.). New York: Bloomsbury Academic. p. 414. ISBN 9781609015350.
- ^ "Arago: 1991 Black Heritage Series: Jan E. Matzeliger Issue". arago.si.edu. Retrieved 2019-10-23.
- ^ "NIHF Inductee Jan Matzeliger Invented the Shoe Lasting Machine". www.invent.org. April 7, 2025.
- ^ "Thirds to melville S".
