.38 TPC

.38 TPC
.38 TPC cartridge compared to 9mm Luger
TypePistol
Place of originBrazil
Production history
DesignerTaurus/CBC
Designed2023
ManufacturerCBC
Produced2024
Specifications
Case typeRimless, straight
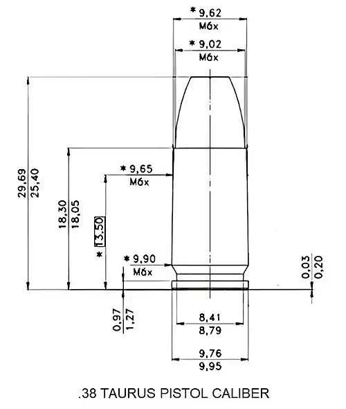
Bullet diameter9.02 mm (0.355 in)
Neck diameter9.62 mm (0.379 in)
Shoulder diameter9.65 mm (0.380 in)
Base diameter9.95 mm (0.392 in)
Rim diameter8.79 mm (0.346 in)
Case length18.3 mm (0.72 in)
Overall length29.69 mm (1.169 in)
Ballistic performance
Bullet mass/type Velocity Energy
124 gr (8 g) BONDED 311 m/s (1,020 ft/s) 389 J (287 ft⋅lbf)

.38 Taurus Pistol Caliber / 9.2x18mm is a metallic centerfire ammunition that uses smokeless powder to be originally used in pistols.

It was developed by Taurus in partnership with CBC from 2023, with the aim of providing a caliber to the Brazilian market that meets the new legislation on "permitted" calibers that established a maximum of 407 joules of energy at the muzzle.[1]

History

The project began at the end of 2023, when the new Brazilian government's intention to impose legislation that would limit the energy at the muzzle of "permitted" guns had already been announced,[2] which ended up being established at 407 joules (?).[3] It was announced that the new caliber would be 40% more powerful than the current .380 caliber,[2] and with less recoil and also at a lower price than the 9mm Luger.[4]

The official launch of the .38 TPC caliber in Brazil, along with new weapons for it, took place at an event held on June 6, 2024.[5]

Dimensions

Technical characteristics

With this caliber, the aim was to provide an intermediate between the .380 ACP and the 9 mm Luger, generating something between 380 and 400 joules of energy at the muzzle depending on the ammunition used,[a] which is within the established limits by the new Federal Government decree for "permitted" caliber weapons.[6]

Compared to the .380, the .38 TPC has greater velocity and energy at the exit of the barrel, 40% higher. Compared to the 9mm, the .38 TPC has up to 28% less recoil, providing greater comfort and shooting control, as well as rapid aim recovery between shots. All of these characteristics are beneficial in sports competitions of speed and precision, like the IPSC ones.[7]

.38 TPC ammunition also meets FBI Protocol ballistic penetration requirements. In a comparative test with the .380 Auto Gold Hex ammunition, the .38 TPC caliber showed 14.5 inches (36.83 cm) of penetration into ballistic gelatin, therefore within the ideal range specified by the FBI in tests at distances of 10 feet (3 meters).[7][b]

As for the cartridge case, it is basically the same as a "shortened" (less than 1mm) 9mm Luger from 19.15mm to 18.30mm.[6]

First pistols

The first pistols to support this new caliber are the G2C and GX4 Carry.[10]

See also

Notes

  1. ^ According to official data from the manufacturer, the standard nominal speed is 386 joules.
  2. ^ The FBI parameters on ballistic gelatin penetration are:
    • minimum acceptable 12";[8]
    • maximum desirable 18";[8]
    • ideal range from 14" to 16".[9]

References

  1. ^ "Como fica a classificação dos calibres após o novo decreto de armas?" [What is the classification of calibers like after the new weapons decree?] (in Portuguese). justapenabr.com.br. 2023-08-03. Retrieved 2024-06-07.
  2. ^ a b "Demanda reprimida de 200 mil armas pode ser chave para o sucesso do novo calibre da Taurus" [Pent-up demand for 200,000 weapons could be key to the success of the new Taurus caliber] (in Portuguese). cbc.com.br. 2023-11-13. Retrieved 2024-06-07.
  3. ^ Saty Jardim (2023-07-28). "Saiba quais são os calibres permitidos e restritos no Brasil" [Find out which calibers are permitted and restricted in Brazil] (in Portuguese). legalmentearmado.com.br. Retrieved 2024-06-07.
  4. ^ "Taurus (TASA4) vai lançar novo calibre '.38 TPC' em pistolas mais vendidas; saiba detalhes" [Taurus (TASA4) will launch new ‘.38 TPC’ caliber in best-selling pistols; find out details] (in Portuguese). aniam.org.br. 2023-10-25. Retrieved 2024-06-07.
  5. ^ Cultivar Magazine, based on information from Mariana Nascimento (2024-06-06). "Taurus e CBC lançam calibre .38 TPC para o mercado brasileiro" [Taurus and CBC launch .38 TPC caliber for the Brazilian market] (in Portuguese). revistacultivar.com.br. Retrieved 2024-06-07.
  6. ^ a b "Calibre .38 TPC: a estratégia antifrágil da Taurus e da CBC" [Caliber .38 TPC: Taurus and CBC's antifragile strategy] (in Portuguese). lrcadefenseconsulting.com. 2023-12-31. Retrieved 2024-06-08.
  7. ^ a b "G2c T.O.R.O. - 38 TPC" (in Portuguese). taurusarmas.com.br. 2024. Retrieved 2024-06-08.
  8. ^ a b John C. Hall (November 1989). "Law Enforcement Bulletin" (PDF). FBI. Retrieved 2024-06-08.
  9. ^ "Brass Fetcher Ballistic Testing". brassfetcher.com. 2015. Retrieved 2024-06-08.
  10. ^ Ricardo Fan (2024-07-05). "Taurus apresenta aos consumidores, na Shot Fair 2024, o 38 TPC – Taurus Pistol Caliber, tecnologia e inovação com prioridade ao Brasil" [Taurus presents to consumers, at Shot Fair 2024, the 38 TPC – Taurus Pistol Caliber, technology and innovation with priority for Brazil] (in Portuguese). defesanet.com.br. Retrieved 2024-07-23.